首页
管件系列
铜阀门
水表系列
控制阀门
联系我们
搜索
首页
管件系列
铜阀门
水表系列
控制阀门
联系我们
水表系列
埃美柯
>
水表系列
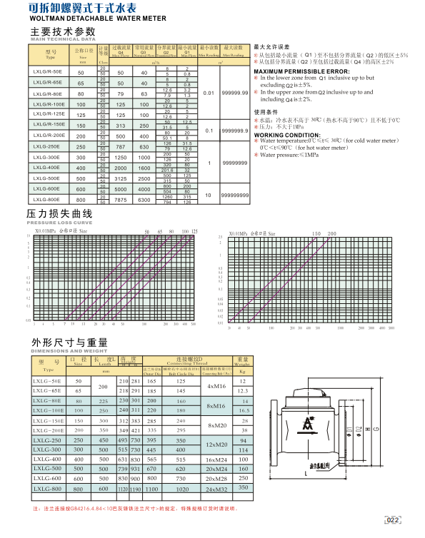
>069/070 可拆卸螺翼式干式水表LXLG-E /LXLGR-E
069/070 可拆卸螺翼式干式水表LXLG-E /LXLGR-E
相关推荐:
101铜阀门 Z15W-16T
注:产品资料仅供参考,如有疑问请与我司联系!
联系我们
contact us
刘经理
咨询电话
13926027728
15017555340
扫一扫,
添加微信好友
返回顶部
联
系
我
们